Отправить заявку в отдел продаж: info@gellion-trade.ru

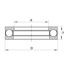
d | 3 5/8 inch | |
d | 92,075 mm | |
D | 5,188 inch | |
D | 131,78 mm | |
T | 1,25 inch | |
T | 31,75 mm | |
| ||
| ||
m | 3,199 lbs | Вес |
m | 1,451 kg | Вес |
C a | 19100 lbf | динамическая грузоподъемность, осевая |
C a | 85000 N | динамическая грузоподъемность, осевая |
C 0a | 51000 lbf | статическая грузоподъемность, осевая |
C 0a | 225000 N | статическая грузоподъемность, осевая |
n G | 1800 1/min | Предельная частота вращения |
На сайте представлен неполный перечень продукции, которую мы можем предложить!