Отправить заявку в отдел продаж: info@gellion-trade.ru

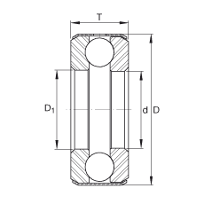
d | 2 13/16 inch | |
d | 71,438 mm | |
D | 4,469 inch | |
D | 113,51 mm | |
T | 1,125 inch | |
T | 28,58 mm | |
| ||
D 1 | 2,844 inch | |
| ||
m | 2,216 lbs | Вес |
m | 1,005 kg | Вес |
C a | 21400 lbf | динамическая грузоподъемность, осевая |
C a | 95000 N | динамическая грузоподъемность, осевая |
C 0a | 57000 lbf | статическая грузоподъемность, осевая |
C 0a | 254000 N | статическая грузоподъемность, осевая |
n G | 1600 1/min | Предельная частота вращения |
На сайте представлен неполный перечень продукции, которую мы можем предложить!