Отправить заявку в отдел продаж: info@gellion-trade.ru

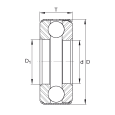
d | 2 7/16 inch | |
d | 61,913 mm | |
D | 3,844 inch | |
D | 97,64 mm | |
T | 0,875 inch | |
T | 22,225 mm | |
| ||
D 1 | 2,469 inch | |
| ||
m | 1,237 lbs | Вес |
m | 0,561 kg | Вес |
C a | 14200 lbf | динамическая грузоподъемность, осевая |
C a | 63000 N | динамическая грузоподъемность, осевая |
C 0a | 37500 lbf | статическая грузоподъемность, осевая |
C 0a | 167000 N | статическая грузоподъемность, осевая |
n G | 1900 1/min | Предельная частота вращения |
На сайте представлен неполный перечень продукции, которую мы можем предложить!