Отправить заявку в отдел продаж: info@gellion-trade.ru

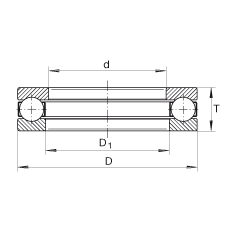
d | 3,543 inch | |
d | 90 mm | |
D | 5,315 inch | |
D | 135 mm | |
T | 1,201 inch | |
T | 30,5 mm | |
| ||
D 1 | 90,195 mm | |
D 1 | 3,551 inch | |
| ||
m | 3,067 lbs | Вес |
m | 1,391 kg | Вес |
C a | 27000 lbf | динамическая грузоподъемность, осевая |
C a | 120000 N | динамическая грузоподъемность, осевая |
C 0a | 67000 lbf | статическая грузоподъемность, осевая |
C 0a | 300000 N | статическая грузоподъемность, осевая |
n G | 1800 1/min | Предельная частота вращения |
На сайте представлен неполный перечень продукции, которую мы можем предложить!