Отправить заявку в отдел продаж: info@gellion-trade.ru

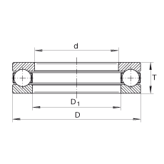
d | 2,362 inch | |
d | 60 mm | |
D | 3,543 inch | |
D | 90 mm | |
T | 0,965 inch | |
T | 24,5 mm | |
| ||
D 1 | 60,198 mm | |
D 1 | 2,37 inch | |
| ||
m | 1,186 lbs | Вес |
m | 0,538 kg | Вес |
C a | 12600 lbf | динамическая грузоподъемность, осевая |
C a | 56000 N | динамическая грузоподъемность, осевая |
C 0a | 31000 lbf | статическая грузоподъемность, осевая |
C 0a | 136000 N | статическая грузоподъемность, осевая |
n G | 2600 1/min | Предельная частота вращения |
На сайте представлен неполный перечень продукции, которую мы можем предложить!