Отправить заявку в отдел продаж: info@gellion-trade.ru


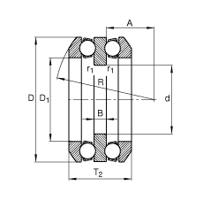
d | 85 mm | |
D | 170 mm | |
T 2 | 105,4 mm | |
| ||
A | 42 mm | |
B | 21 mm | |
D 1 | 103 mm | |
D a max | 135 mm | |
d a max | 100 mm | |
R | 125 mm | |
r 1 min | 1 mm | |
r a max | 1,5 mm | |
r a1 max | 1 mm | |
r min | 1,5 mm | |
| ||
m | 8,81 kg | Вес |
C a | 240000 N | динамическая грузоподъемность, осевая |
C 0a | 585000 N | статическая грузоподъемность, осевая |
A | 1,9 | коэффициент минимальной нагрузки |
n G | 1970 1/min | Предельная частота вращения |
C ua | 21900 N | нагрузка предела усталости, осевая |
Суффикс | Описание |
MP | Массивный латунный сепаратор с окнами с центрированием по телам качения |
P5 | Повышенная точность по классу P5 |
P6 | Повышенная точность по классу P6 |
На сайте представлен неполный перечень продукции, которую мы можем предложить!