Отправить заявку в отдел продаж: info@gellion-trade.ru
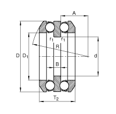
| d | 95 mm | |
| D 3 | 195 mm | |
| T 3 | 128 mm | |
| | ||
| A | 47 mm | |
| B | 24 mm | |
| C | 20,5 mm | |
| D | 190 mm | |
| D 1 | 113 mm | |
| D 2 | 150 mm | |
| D a max | 150 mm | |
| d a max | 110 mm | |
| R | 140 mm | |
| r 1 min | 1 mm | |
| r a max | 2 mm | |
| r a1 max | 1 mm | |
| r min | 2 mm | |
| T 2 | 118,4 mm | |
| | ||
| U322 | Условное обозначение, подкладная шайба | |
| m | 14 kg | Вес |
| m 1 | 1,28 kg | Вес, подкладное кольцо |
| C a | 280000 N | динамическая грузоподъемность, осевая |
| C 0a | 750000 N | статическая грузоподъемность, осевая |
| A | 3 | коэффициент минимальной нагрузки |
| n G | 1790 1/min | Предельная частота вращения |
| C ua | 27000 N | нагрузка предела усталости, осевая |
| Суффикс | Описание |
| MP | Массивный латунный сепаратор с окнами с центрированием по телам качения |
| P5 | Повышенная точность по классу P5 |
| P6 | Повышенная точность по классу P6 |
На сайте представлен неполный перечень продукции, которую мы можем предложить!























