Отправить заявку в отдел продаж: info@gellion-trade.ru



d | 65 mm | |
D 3 | 120 mm | |
T 3 | 58 mm | |
| ||
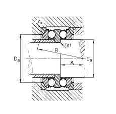
A | 45 mm | |
B | 10 mm | |
C | 10 mm | |
D | 115 mm | |
D 1 | 82 mm | |
D 2 | 98 mm | |
D a max | 98 mm | |
d a max | 80 mm | |
R | 90 mm | |
r 1 min | 1 mm | |
r a max | 1 mm | |
r a1 max | 1 mm | |
r min | 1 mm | |
T 2 | 51 mm | |
| ||
U216 | Условное обозначение, подкладная шайба | |
m | 1,6 kg | Вес |
m 1 | 0,218 kg | Вес, подкладное кольцо |
C a | 75000 N | динамическая грузоподъемность, осевая |
C 0a | 190000 N | статическая грузоподъемность, осевая |
A | 0,22 | коэффициент минимальной нагрузки |
n G | 3700 1/min | Предельная частота вращения |
C ua | 8500 N | нагрузка предела усталости, осевая |
Суффикс | Описание |
MP | Массивный латунный сепаратор с окнами с центрированием по телам качения |
P5 | Повышенная точность по классу P5 |
P6 | Повышенная точность по классу P6 |
На сайте представлен неполный перечень продукции, которую мы можем предложить!