Отправить заявку в отдел продаж: info@gellion-trade.ru
| d | 35 mm | |
| D 3 | 78 mm | |
| T 3 | 45 mm | |
| | ||
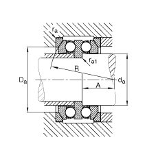
| A | 23 mm | |
| B | 9 mm | |
| C | 7,5 mm | |
| D | 73 mm | |
| D 1 | 47 mm | |
| D 2 | 60 mm | |
| D a max | 60 mm | |
| d a max | 45 mm | |
| R | 56 mm | |
| r 1 min | 0,6 mm | |
| r a max | 1 mm | |
| r a1 max | 0,6 mm | |
| r min | 1 mm | |
| T 2 | 39,6 mm | |
| | ||
| U209 | Условное обозначение, подкладная шайба | |
| m | 0,537 kg | Вес |
| m 1 | 0,088 kg | Вес, подкладное кольцо |
| C a | 39000 N | динамическая грузоподъемность, осевая |
| C 0a | 80000 N | статическая грузоподъемность, осевая |
| A | 0,043 | коэффициент минимальной нагрузки |
| n G | 5500 1/min | Предельная частота вращения |
| C ua | 3550 N | нагрузка предела усталости, осевая |
| Суффикс | Описание |
| MP | Массивный латунный сепаратор с окнами с центрированием по телам качения |
| P5 | Повышенная точность по классу P5 |
| P6 | Повышенная точность по классу P6 |
На сайте представлен неполный перечень продукции, которую мы можем предложить!























