Отправить заявку в отдел продаж: info@gellion-trade.ru
| d | 100 mm | |
| D | 170 mm | |
| T | 59,2 mm | |
| | ||
| A | 46 mm | |
| D 1 | 103 mm | |
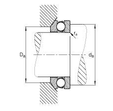
| D a max | 135 mm | |
| d 1 | 170 mm | |
| d a min | 142 mm | |
| R | 125 mm | |
| r a max | 1,5 mm | |
| r min | 1,5 mm | |
| | ||
| m | 4,99 kg | Вес |
| C a | 240000 N | динамическая грузоподъемность, осевая |
| C 0a | 585000 N | статическая грузоподъемность, осевая |
| A | 1,9 | коэффициент минимальной нагрузки |
| n G | 1970 1/min | Предельная частота вращения |
| C ua | 21900 N | нагрузка предела усталости, осевая |
| Суффикс | Описание |
| MP | Массивный латунный сепаратор с окнами с центрированием по телам качения |
| P5 | Повышенная точность по классу P5 |
| P6 | Повышенная точность по классу P6 |
На сайте представлен неполный перечень продукции, которую мы можем предложить!























