Отправить заявку в отдел продаж: info@gellion-trade.ru
| d | 90 mm | |
| D | 155 mm | |
| T | 54,6 mm | |
| | ||
| A | 40 mm | |
| D 1 | 93 mm | |
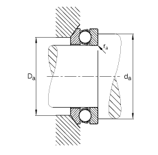
| D a max | 120 mm | |
| d 1 | 155 mm | |
| d a min | 129 mm | |
| R | 112 mm | |
| r a max | 1,5 mm | |
| r min | 1,5 mm | |
| | ||
| m | 3,81 kg | Вес |
| C a | 193000 N | динамическая грузоподъемность, осевая |
| C 0a | 455000 N | статическая грузоподъемность, осевая |
| A | 1,2 | коэффициент минимальной нагрузки |
| n G | 2240 1/min | Предельная частота вращения |
| C ua | 17700 N | нагрузка предела усталости, осевая |
| Суффикс | Описание |
| MP | Массивный латунный сепаратор с окнами с центрированием по телам качения |
| P5 | Повышенная точность по классу P5 |
| P6 | Повышенная точность по классу P6 |
На сайте представлен неполный перечень продукции, которую мы можем предложить!























