Отправить заявку в отдел продаж: info@gellion-trade.ru


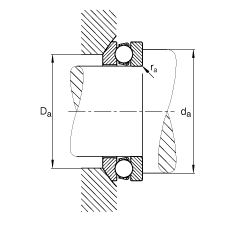
d | 40 mm | |
D | 78 mm | |
T | 28,5 mm | |
| ||
A | 28 mm | |
D 1 | 42 mm | |
D a max | 60 mm | |
d 1 | 78 mm | |
d a min | 63 mm | |
R | 64 mm | |
r a max | 1 mm | |
r min | 1 mm | |
| ||
m | 0,561 kg | Вес |
C a | 61000 N | динамическая грузоподъемность, осевая |
C 0a | 112000 N | статическая грузоподъемность, осевая |
A | 0,08 | коэффициент минимальной нагрузки |
n G | 4250 1/min | Предельная частота вращения |
C ua | 5000 N | нагрузка предела усталости, осевая |
Суффикс | Описание |
MP | Массивный латунный сепаратор с окнами с центрированием по телам качения |
P5 | Повышенная точность по классу P5 |
P6 | Повышенная точность по классу P6 |
На сайте представлен неполный перечень продукции, которую мы можем предложить!