Отправить заявку в отдел продаж: info@gellion-trade.ru
| d | 75 mm | |
| D 3 | 140 mm | |
| T 1 | 52 mm | |
| | ||
| A | 37 mm | |
| C | 15 mm | |
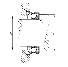
| D | 135 mm | |
| D 1 | 77 mm | |
| D 2 | 105 mm | |
| D a max | 105 mm | |
| d 1 | 135 mm | |
| d a min | 111 mm | |
| R | 100 mm | |
| r a max | 1,5 mm | |
| r min | 1,5 mm | |
| T | 48,1 mm | |
| | ||
| U315 | Условное обозначение, подкладная шайба | |
| m | 3,19 kg | Вес |
| m 1 | 0,544 kg | Вес, подкладное кольцо |
| C a | 163000 N | динамическая грузоподъемность, осевая |
| C 0a | 360000 N | статическая грузоподъемность, осевая |
| A | 0,75 | коэффициент минимальной нагрузки |
| n G | 2480 1/min | Предельная частота вращения |
| C ua | 15400 N | нагрузка предела усталости, осевая |
| Суффикс | Описание |
| MP | Массивный латунный сепаратор с окнами с центрированием по телам качения |
| P5 | Повышенная точность по классу P5 |
| P6 | Повышенная точность по классу P6 |
На сайте представлен неполный перечень продукции, которую мы можем предложить!























