Отправить заявку в отдел продаж: info@gellion-trade.ru


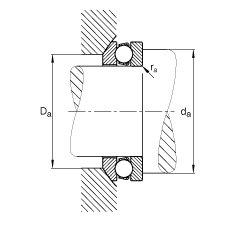
d | 120 mm | |
D | 170 mm | |
T | 40,8 mm | |
| ||
A | 61 mm | |
D 1 | 123 mm | |
D a max | 145 mm | |
d 1 | 170 mm | |
d a min | 150 mm | |
R | 125 mm | |
r a max | 1 mm | |
r min | 1,1 mm | |
| ||
m | 2,58 kg | Вес |
C a | 134000 N | динамическая грузоподъемность, осевая |
C 0a | 390000 N | статическая грузоподъемность, осевая |
A | 0,95 | коэффициент минимальной нагрузки |
n G | 2550 1/min | Предельная частота вращения |
C ua | 14200 N | нагрузка предела усталости, осевая |
Суффикс | Описание |
MP | Массивный латунный сепаратор с окнами с центрированием по телам качения |
P5 | Повышенная точность по классу P5 |
P6 | Повышенная точность по классу P6 |
На сайте представлен неполный перечень продукции, которую мы можем предложить!