Отправить заявку в отдел продаж: info@gellion-trade.ru


d | 100 mm | |
D | 150 mm | |
T | 40,9 mm | |
| ||
A | 52 mm | |
D 1 | 103 mm | |
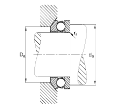
D a max | 125 mm | |
d 1 | 150 mm | |
d a min | 130 mm | |
R | 112 mm | |
r a max | 1 mm | |
r min | 1,1 mm | |
| ||
m | 2,23 kg | Вес |
C a | 122000 N | динамическая грузоподъемность, осевая |
C 0a | 320000 N | статическая грузоподъемность, осевая |
A | 0,67 | коэффициент минимальной нагрузки |
n G | 2750 1/min | Предельная частота вращения |
C ua | 14400 N | нагрузка предела усталости, осевая |
Суффикс | Описание |
MP | Массивный латунный сепаратор с окнами с центрированием по телам качения |
P5 | Повышенная точность по классу P5 |
P6 | Повышенная точность по классу P6 |
На сайте представлен неполный перечень продукции, которую мы можем предложить!