Отправить заявку в отдел продаж: info@gellion-trade.ru



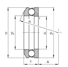
d | 180 mm | |
D 3 | 260 mm | |
T 1 | 66 mm | |
| ||
A | 112 mm | |
C | 21,5 mm | |
D | 250 mm | |
D 1 | 183 mm | |
D 2 | 210 mm | |
D a max | 210 mm | |
d 1 | 245 mm | |
d a min | 222 mm | |
R | 200 mm | |
r a max | 1,5 mm | |
r min | 1,5 mm | |
T | 58,2 mm | |
| ||
U236 | Условное обозначение, подкладная шайба | |
m | 8,19 kg | Вес |
m 1 | 1,25 kg | Вес, подкладное кольцо |
C a | 305000 N | динамическая грузоподъемность, осевая |
C 0a | 1040000 N | статическая грузоподъемность, осевая |
A | 5,3 | коэффициент минимальной нагрузки |
n G | 1670 1/min | Предельная частота вращения |
C ua | 31500 N | нагрузка предела усталости, осевая |
Суффикс | Описание |
MP | Массивный латунный сепаратор с окнами с центрированием по телам качения |
P5 | Повышенная точность по классу P5 |
P6 | Повышенная точность по классу P6 |
На сайте представлен неполный перечень продукции, которую мы можем предложить!