Отправить заявку в отдел продаж: info@gellion-trade.ru



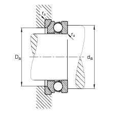
d | 160 mm | |
D 3 | 235 mm | |
T 1 | 61 mm | |
| ||
A | 74 mm | |
C | 21 mm | |
D | 225 mm | |
D 1 | 163 mm | |
D 2 | 190 mm | |
D a max | 190 mm | |
d 1 | 222 mm | |
d a min | 199 mm | |
R | 160 mm | |
r a max | 1,5 mm | |
r min | 1,5 mm | |
T | 54,7 mm | |
| ||
U232 | Условное обозначение, подкладная шайба | |
m | 6,45 kg | Вес |
m 1 | 1,81 kg | Вес, подкладное кольцо |
C a | 240000 N | динамическая грузоподъемность, осевая |
C 0a | 765000 N | статическая грузоподъемность, осевая |
A | 3,2 | коэффициент минимальной нагрузки |
n G | 1900 1/min | Предельная частота вращения |
C ua | 24700 N | нагрузка предела усталости, осевая |
Суффикс | Описание |
MP | Массивный латунный сепаратор с окнами с центрированием по телам качения |
P5 | Повышенная точность по классу P5 |
P6 | Повышенная точность по классу P6 |
На сайте представлен неполный перечень продукции, которую мы можем предложить!