Отправить заявку в отдел продаж: info@gellion-trade.ru
| d | 110 mm | |
| D 3 | 165 mm | |
| T 1 | 45 mm | |
| | ||
| A | 65 mm | |
| C | 14 mm | |
| D | 160 mm | |
| D 1 | 113 mm | |
| D 2 | 135 mm | |
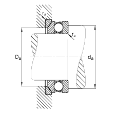
| D a max | 135 mm | |
| d 1 | 160 mm | |
| d a min | 140 mm | |
| R | 125 mm | |
| r a max | 1 mm | |
| r min | 1,1 mm | |
| T | 40,2 mm | |
| | ||
| U222 | Условное обозначение, подкладная шайба | |
| m | 2,24 kg | Вес |
| m 1 | 0,56 kg | Вес, подкладное кольцо |
| C a | 134000 N | динамическая грузоподъемность, осевая |
| C 0a | 365000 N | статическая грузоподъемность, осевая |
| A | 0,85 | коэффициент минимальной нагрузки |
| n G | 2650 1/min | Предельная частота вращения |
| C ua | 16000 N | нагрузка предела усталости, осевая |
| Суффикс | Описание |
| MP | Массивный латунный сепаратор с окнами с центрированием по телам качения |
| P5 | Повышенная точность по классу P5 |
| P6 | Повышенная точность по классу P6 |
На сайте представлен неполный перечень продукции, которую мы можем предложить!























