Отправить заявку в отдел продаж: info@gellion-trade.ru
| d | 90 mm | |
| D 3 | 140 mm | |
| T 1 | 42 mm | |
| | ||
| A | 45 mm | |
| C | 13,5 mm | |
| D | 135 mm | |
| D 1 | 93 mm | |
| D 2 | 110 mm | |
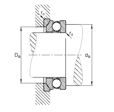
| D a max | 110 mm | |
| d 1 | 135 mm | |
| d a min | 117 mm | |
| R | 100 mm | |
| r a max | 1 mm | |
| r min | 1,1 mm | |
| T | 38,5 mm | |
| | ||
| U218 | Условное обозначение, подкладная шайба | |
| m | 1,7 kg | Вес |
| m 1 | 0,425 kg | Вес, подкладное кольцо |
| C a | 118000 N | динамическая грузоподъемность, осевая |
| C 0a | 300000 N | статическая грузоподъемность, осевая |
| A | 0,53 | коэффициент минимальной нагрузки |
| n G | 2900 1/min | Предельная частота вращения |
| C ua | 12300 N | нагрузка предела усталости, осевая |
| Суффикс | Описание |
| MP | Массивный латунный сепаратор с окнами с центрированием по телам качения |
| P5 | Повышенная точность по классу P5 |
| P6 | Повышенная точность по классу P6 |
На сайте представлен неполный перечень продукции, которую мы можем предложить!























