Отправить заявку в отдел продаж: info@gellion-trade.ru



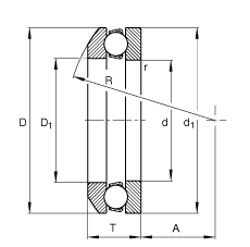
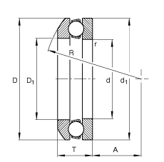
d | 30 mm | |
D 3 | 55 mm | |
T 1 | 20 mm | |
| ||
A | 22 mm | |
C | 5,5 mm | |
D | 52 mm | |
D 1 | 32 mm | |
D 2 | 42 mm | |
D a max | 42 mm | |
d 1 | 52 mm | |
d a min | 43 mm | |
R | 45 mm | |
r a max | 0,6 mm | |
r min | 0,6 mm | |
T | 17,8 mm | |
| ||
U206 | Условное обозначение, подкладная шайба | |
m | 0,147 kg | Вес |
m 1 | 0,038 kg | Вес, подкладное кольцо |
C a | 25000 N | динамическая грузоподъемность, осевая |
C 0a | 46500 N | статическая грузоподъемность, осевая |
A | 0,014 | коэффициент минимальной нагрузки |
n G | 7300 1/min | Предельная частота вращения |
C ua | 2040 N | нагрузка предела усталости, осевая |
Суффикс | Описание |
MP | Массивный латунный сепаратор с окнами с центрированием по телам качения |
P5 | Повышенная точность по классу P5 |
P6 | Повышенная точность по классу P6 |
На сайте представлен неполный перечень продукции, которую мы можем предложить!