Отправить заявку в отдел продаж: info@gellion-trade.ru
| d | 90 mm | |
| D | 190 mm | |
| T | 77 mm | |
| | ||
| D 1 | 93 mm | |
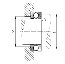
| D a max | 130 mm | |
| d 1 | 187 mm | |
| d a min | 150 mm | |
| r a max | 2,1 mm | |
| r min | 2,1 mm | |
| | ||
| m | 11,1 kg | Вес |
| C a | 305000 N | динамическая грузоподъемность, осевая |
| C 0a | 750000 N | статическая грузоподъемность, осевая |
| A | 3,4 | коэффициент минимальной нагрузки |
| n G | 1540 1/min | Предельная частота вращения |
| C ua | 34000 N | нагрузка предела усталости, осевая |
| Суффикс | Описание |
| MP | Массивный латунный сепаратор с окнами с центрированием по телам качения |
| P5 | Повышенная точность по классу P5 |
| P6 | Повышенная точность по классу P6 |
На сайте представлен неполный перечень продукции, которую мы можем предложить!























