Отправить заявку в отдел продаж: info@gellion-trade.ru


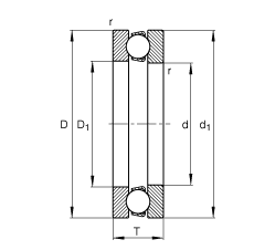
d | 70 mm | |
D | 105 mm | |
T | 27 mm | |
| ||
D 1 | 72 mm | |
D a max | 84 mm | |
d 1 | 105 mm | |
d a min | 91 mm | |
r a max | 1 mm | |
r min | 1 mm | |
| ||
m | 0,727 kg | Вес |
C a | 65500 N | динамическая грузоподъемность, осевая |
C 0a | 160000 N | статическая грузоподъемность, осевая |
A | 0,16 | коэффициент минимальной нагрузки |
n G | 4000 1/min | Предельная частота вращения |
C ua | 7000 N | нагрузка предела усталости, осевая |
Суффикс | Описание |
MP | Массивный латунный сепаратор с окнами с центрированием по телам качения |
P5 | Повышенная точность по классу P5 |
P6 | Повышенная точность по классу P6 |
На сайте представлен неполный перечень продукции, которую мы можем предложить!