Отправить заявку в отдел продаж: info@gellion-trade.ru
| d | 10 mm | |
| D | 26 mm | |
| T | 11 mm | |
| | ||
| D 1 | 12 mm | |
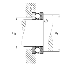
| D a max | 16 mm | |
| d 1 | 26 mm | |
| d a min | 20 mm | |
| r a max | 0,6 mm | |
| r min | 0,6 mm | |
| | ||
| m | 0,029 kg | Вес |
| C a | 12700 N | динамическая грузоподъемность, осевая |
| C 0a | 17000 N | статическая грузоподъемность, осевая |
| A | 0,0020 | коэффициент минимальной нагрузки |
| n G | 10900 1/min | Предельная частота вращения |
| C ua | 760 N | нагрузка предела усталости, осевая |
| Суффикс | Описание |
| MP | Массивный латунный сепаратор с окнами с центрированием по телам качения |
| P5 | Повышенная точность по классу P5 |
| P6 | Повышенная точность по классу P6 |
На сайте представлен неполный перечень продукции, которую мы можем предложить!























