Отправить заявку в отдел продаж: info@gellion-trade.ru
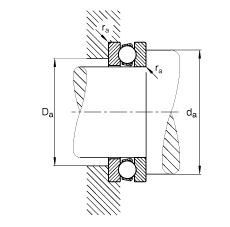
| d | 160 mm | |
| D | 200 mm | |
| T | 31 mm | |
| | ||
| D 1 | 162 mm | |
| D a max | 176 mm | |
| d 1 | 198 mm | |
| d a min | 184 mm | |
| r a max | 1 mm | |
| r min | 1 mm | |
| | ||
| m | 2,29 kg | Вес |
| C a | 112000 N | динамическая грузоподъемность, осевая |
| C 0a | 430000 N | статическая грузоподъемность, осевая |
| A | 1 | коэффициент минимальной нагрузки |
| n G | 2550 1/min | Предельная частота вращения |
| C ua | 17200 N | нагрузка предела усталости, осевая |
| Суффикс | Описание |
| MP | Массивный латунный сепаратор с окнами с центрированием по телам качения |
| P5 | Повышенная точность по классу P5 |
| P6 | Повышенная точность по классу P6 |
На сайте представлен неполный перечень продукции, которую мы можем предложить!























