Отправить заявку в отдел продаж: info@gellion-trade.ru


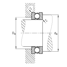
d | 120 mm | |
D | 155 mm | |
T | 25 mm | |
| ||
D 1 | 122 mm | |
D a max | 134 mm | |
d 1 | 155 mm | |
d a min | 141 mm | |
r a max | 1 mm | |
r min | 1 mm | |
| ||
m | 1,54 kg | Вес |
C a | 90000 N | динамическая грузоподъемность, осевая |
C 0a | 310000 N | статическая грузоподъемность, осевая |
A | 0,48 | коэффициент минимальной нагрузки |
n G | 3200 1/min | Предельная частота вращения |
C ua | 13900 N | нагрузка предела усталости, осевая |
Суффикс | Описание |
MP | Массивный латунный сепаратор с окнами с центрированием по телам качения |
P5 | Повышенная точность по классу P5 |
P6 | Повышенная точность по классу P6 |
На сайте представлен неполный перечень продукции, которую мы можем предложить!