Отправить заявку в отдел продаж: info@gellion-trade.ru


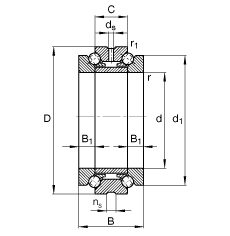
d | 380 mm | |
D | 560 mm | |
B | 212 mm | |
| ||
B 1 | 53 mm | |
C | 106 mm | |
D a | 525,5 mm | допуск: Н12 |
d 1 | 499 mm | |
d a | 453 mm | Допуск: h12 |
d s | 9,5 mm | |
n s | 17,7 mm | |
r 1 min | 1,5 mm | |
r a max | 3 mm | |
r a1 max | 1,5 mm | |
r min | 4 mm | |
α | 60 ° | Угол контакта |
| ||
m | 133 kg | Вес |
C a | 610000 N | динамическая грузоподъемность, осевая |
C 0a | 3150000 N | статическая грузоподъемность, осевая |
n G Fett | 1000 1/min | Предельная частота вращения при консистентной смазке |
n G Öl | 1500 1/min | Предельная частота вращения для системы смазывания минимальным количеством масла |
C ua | 130000 N | нагрузка предела усталости, осевая |
Суффикс | Описание |
M | Массивный латунный сепаратор с центрированием по телам качения |
SP | Повышенный класс точности SP |
UP | Повышенный класс точности UP |
На сайте представлен неполный перечень продукции, которую мы можем предложить!