Отправить заявку в отдел продаж: info@gellion-trade.ru


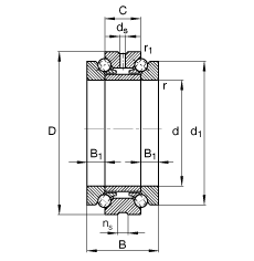
d | 105 mm | |
D | 160 mm | |
B | 66 mm | |
| ||
B 1 | 16,5 mm | |
C | 33 mm | |
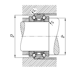
D a | 150 mm | допуск: Н12 |
d 1 | 142 mm | |
d a | 128 mm | Допуск: h12 |
d s | 4,8 mm | |
n s | 9,5 mm | |
r 1 min | 0,6 mm | |
r a max | 2 mm | |
r a1 max | 0,6 mm | |
r min | 2 mm | |
α | 60 ° | Угол контакта |
| ||
m | 3,41 kg | Вес |
C a | 74000 N | динамическая грузоподъемность, осевая |
C 0a | 250000 N | статическая грузоподъемность, осевая |
n G Fett | 3600 1/min | Предельная частота вращения при консистентной смазке |
n G Öl | 4800 1/min | Предельная частота вращения для системы смазывания минимальным количеством масла |
C ua | 19500 N | нагрузка предела усталости, осевая |
Суффикс | Описание |
M | Массивный латунный сепаратор с центрированием по телам качения |
SP | Повышенный класс точности SP |
UP | Повышенный класс точности UP |
На сайте представлен неполный перечень продукции, которую мы можем предложить!