Отправить заявку в отдел продаж: info@gellion-trade.ru
| d | 340 mm | |
| D | 620 mm | |
| T | 170 mm | |
| | ||
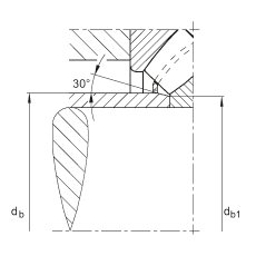
| 30 ° | ||
| A | 201 mm | |
| D 1 | 445 mm | |
| D a max | 541 mm | |
| D b min | 630 mm | |
| d 1 | 564,9 mm | |
| d a min | 480 mm | |
| d b max | 386 mm | |
| d b1 max | 364 mm | |
| r a max | 6 mm | |
| r min | 7,5 mm | |
| T 1 | 84 mm | |
| T 3 | 112 mm | |
| T 5 | 151,3 mm | |
| | ||
| m | 208 kg | Вес |
| C a | 7200000 N | динамическая грузоподъемность, осевая |
| C 0a | 23100000 N | статическая грузоподъемность, осевая |
| n G | 1010 1/min | Предельная частота вращения |
| n B | 495 1/min | Базовая тепловая частота вращения |
| C ua | 2060000 N | нагрузка предела усталости, осевая |
| Суффикс | Описание |
| E, E1 | Усиленное исполнение |
| MB | Массивный латунный сепаратор |
На сайте представлен неполный перечень продукции, которую мы можем предложить!























