Отправить заявку в отдел продаж: info@gellion-trade.ru
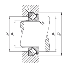
| d | 280 mm | |
| D | 520 mm | |
| T | 145 mm | |
| | ||
| 30 ° | ||
| A | 166 mm | |
| D 1 | 372 mm | |
| D a max | 446 mm | |
| D b min | 530 mm | |
| d 1 | 473,1 mm | |
| d a min | 395 mm | |
| d b max | 320 mm | |
| d b1 max | 302 mm | |
| r a max | 5 mm | |
| r min | 6 mm | |
| T 1 | 70 mm | |
| T 3 | 95 mm | |
| T 5 | 130,5 mm | |
| | ||
| m | 126,3 kg | Вес |
| C a | 5200000 N | динамическая грузоподъемность, осевая |
| C 0a | 15800000 N | статическая грузоподъемность, осевая |
| n G | 1230 1/min | Предельная частота вращения |
| n B | 620 1/min | Базовая тепловая частота вращения |
| C ua | 1480000 N | нагрузка предела усталости, осевая |
| Суффикс | Описание |
| E, E1 | Усиленное исполнение |
| MB | Массивный латунный сепаратор |
На сайте представлен неполный перечень продукции, которую мы можем предложить!























