Отправить заявку в отдел продаж: info@gellion-trade.ru



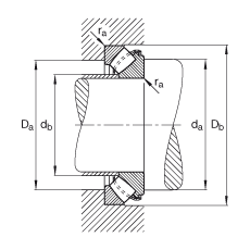
d | 240 mm | |
D | 440 mm | |
T | 122 mm | |
| ||
30 ° | ||
A | 142 mm | |
D 1 | 322 mm | |
D a max | 381 mm | |
D b min | 448 mm | |
d 1 | 400 mm | |
d a min | 335 mm | |
d b max | 276 mm | |
d b1 max | 261 mm | |
r a max | 5 mm | |
r min | 6 mm | |
T 1 | 59 mm | |
T 3 | 76 mm | |
T 5 | 106,9 mm | |
| ||
m | 74,1 kg | Вес |
C a | 3600000 N | динамическая грузоподъемность, осевая |
C 0a | 10500000 N | статическая грузоподъемность, осевая |
n G | 1470 1/min | Предельная частота вращения |
n B | 750 1/min | Базовая тепловая частота вращения |
C ua | 1070000 N | нагрузка предела усталости, осевая |
Суффикс | Описание |
E, E1 | Усиленное исполнение |
MB | Массивный латунный сепаратор |
На сайте представлен неполный перечень продукции, которую мы можем предложить!