Отправить заявку в отдел продаж: info@gellion-trade.ru


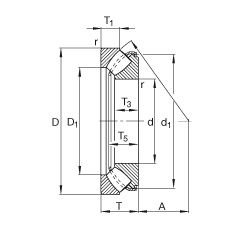
d | 90 mm | |
D | 190 mm | |
T | 60 mm | |
| ||
A | 56 mm | |
D 1 | 127,5 mm | |
D a max | 158 mm | |
D b min | 193 mm | |
d 1 | 167,7 mm | |
d a min | 135 mm | |
d b max | 99,5 mm | |
r a max | 2 mm | |
r min | 2,1 mm | |
T 1 | 28,5 mm | |
T 3 | 39 mm | |
T 5 | 54 mm | |
| ||
m | 7,5 kg | Вес |
C a | 880000 N | динамическая грузоподъемность, осевая |
C 0a | 2130000 N | статическая грузоподъемность, осевая |
n G | 3850 1/min | Предельная частота вращения |
n B | 1910 1/min | Базовая тепловая частота вращения |
C ua | 236000 N | нагрузка предела усталости, осевая |
Суффикс | Описание |
E, E1 | Усиленное исполнение |
MB | Массивный латунный сепаратор |
На сайте представлен неполный перечень продукции, которую мы можем предложить!