Отправить заявку в отдел продаж: info@gellion-trade.ru
| d | 200 mm | |
| D | 360 mm | |
| B | 58 mm | |
| | ||
| D 1 | 319 mm | |
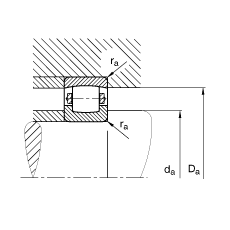
| D a max | 343 mm | |
| d a min | 217 mm | |
| r a max | 3 mm | |
| r min | 4 mm | |
| | ||
| m | 26,7 kg | Вес |
| C r | 735000 N | динамическая грузоподъемность, радиальная |
| C 0r | 1080000 N | статическая грузоподъемность, радиальная |
| n G | 2180 1/min | Предельная частота вращения |
| C ur | 91000 N | Нагрузка предела усталости, радиальная |
| Суффикс | Описание |
| С3 | Радиальный зазор больше нормального |
| K | Коническое отверстие |
| MB | Массивный латунный сепаратор |
| TVP | Массивный сепаратор с окнами из армированного стекловолокном полиамида |
На сайте представлен неполный перечень продукции, которую мы можем предложить!























