Отправить заявку в отдел продаж: info@gellion-trade.ru
| d | 60 mm | |
| D | 110 mm | |
| B | 22 mm | |
| | ||
| D 1 | 97,8 mm | |
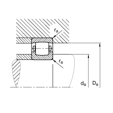
| D a max | 101 mm | |
| d a min | 69 mm | |
| r a max | 1,5 mm | |
| r min | 1,5 mm | |
| | ||
| m | 0,836 kg | Вес |
| C r | 85000 N | динамическая грузоподъемность, радиальная |
| C 0r | 100000 N | статическая грузоподъемность, радиальная |
| n G | 6600 1/min | Предельная частота вращения |
| C ur | 10600 N | Нагрузка предела усталости, радиальная |
| Суффикс | Описание |
| С3 | Радиальный зазор больше нормального |
| K | Коническое отверстие |
| MB | Массивный латунный сепаратор |
| TVP | Массивный сепаратор с окнами из армированного стекловолокном полиамида |
На сайте представлен неполный перечень продукции, которую мы можем предложить!























