Отправить заявку в отдел продаж: info@gellion-trade.ru
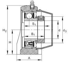
| d | 35 mm | |
| L | 168 mm | |
| H 2 | 94,5 mm | |
| | ||
| A | 48 mm | |
| B 1 | 39 mm | |
| d 3 max | 51 mm | |
| H | 47,6 mm | |
| H 1 | 18 mm | |
| J | 127 mm | |
| N | 14 mm | |
| N 1 | 18 mm | |
| Q | 1/4 - 28 UNF | |
| S 1 | 29,5 mm | |
| | ||
| m | 0,82 kg | Вес |
| C r | 25500 N | динамическая грузоподъемность, радиальная |
| C 0r | 15300 N | статическая грузоподъемность, радиальная |
| C 0r G | 10800 N | радиальная грузоподъемность корпуса |
| GEH.ASE07-TV | обозначение корпуса | |
| GRAE35-NPP-B-FA107/125.5 | обозначение подшипника | |
| KASK07-S-G | защитная крышка подшипника, закрытое исполнение.К каждому подшипниковому узлу с корпусом прилагается защитная крышка. | |
| KASK07-S-R-NBR | Защитная крышка для подшипника, открытое исполнение, с встроенным радиальным уплотнением вала.По запросу. |
| Суффикс | Описание |
| 2C | Закрепляемый подшипник с центробежными отражателями с двух сторон |
| FA101 | Исполнение для высоких и низких температур: от -40°C до +180°C |
| FA106 | Подшипники со специальными требованиями по шуму |
| FA107 | Подшипники со смазочными отверстиями со стороны закрепительного элемента |
| FA125 | С покрытием Corrotect® |
| FA164 | Исполнение для высоких температур (до +250°C) |
| N | Корпус из серого чугуна с пазовой выточкой для крепления защитной крышки |
| OSE | Подшипник без закрепительного элемента |
| JIS | Размеры корпуса в соответствии со стандартом JIS B 1559 |
| TV | Пластмассовый корпус |
| VA | Коррозионностойкое исполнение из высоколегированной подшипниковой стали |
На сайте представлен неполный перечень продукции, которую мы можем предложить!























