Отправить заявку в отдел продаж: info@gellion-trade.ru
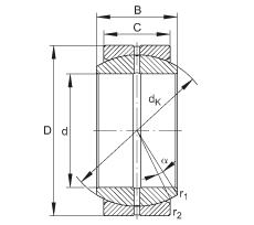
| d | 160 mm | Допуск: 0 / -0,025 |
| D | 230 mm | Допуск: 0 / -0,03 |
| B | 105 mm | Допуск: 0 / -0,25 |
| | ||
| 0,1 - 0,192 mm | радиальный зазор подшипникаCNпоставляется также в группах C2 и C3 | |
| C | 80 mm | Допуск: 0 / -0,6 |
| D a min | 191 mm | |
| d a max | 170,2 mm | |
| d K | 200 mm | |
| r 1s min | 1 mm | Координаты монтажных фасок |
| r 2s min | 1 mm | Координаты монтажных фасок |
| α | 8 ° | |
| | ||
| m | 14 kg | Вес |
| C r | 1360000 N | динамическая грузоподъемность, радиальная |
| C 0r | 6800000 N | статическая грузоподъемность, радиальная |
На сайте представлен неполный перечень продукции, которую мы можем предложить!























