Отправить заявку в отдел продаж: info@gellion-trade.ru
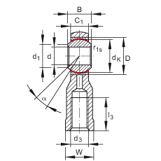
| d | 22 mm | Допуск отверстия: H7 (среднее арифметическое значение)Допуск: +0,021 / 0 |
| d 2 max | 55 mm | |
| l 4 | 111,5 mm | |
| | ||
| 0,010 - 0,055 mm | радиальный зазор | |
| B | 28 mm | Допуск: 0 / -0,12 |
| C 1 | 20 mm | |
| D | 42 mm | |
| d 1 | 25,8 mm | |
| d 3 | M22X1,5 | |
| d 4 | 30 mm | |
| d 5 | 37 mm | |
| d K | 38,1 mm | |
| h 1 | 84 mm | |
| l 3 min | 33 mm | |
| l 5 | 12 mm | |
| l 7 min | 27 mm | |
| r 1s min | 0,3 mm | Координаты монтажных фасок |
| W | 32 mm | |
| α | 15 ° | |
| | ||
| m | 0,49 kg | Вес |
| C r | 68000 N | динамическая грузоподъемность, радиальная |
| C 0r | 30400 N | статическая грузоподъемность, радиальнаягрузоподъемность головки |
На сайте представлен неполный перечень продукции, которую мы можем предложить!























