Отправить заявку в отдел продаж: info@gellion-trade.ru
| d | 20 mm | Допуск отверстия: H7 (среднее арифметическое значение)Допуск: +0,021 / 0 |
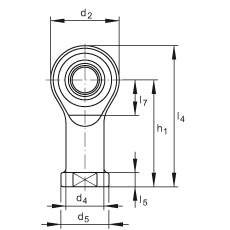
| d 2 max | 51 mm | |
| l 4 | 102,5 mm | |
| | ||
| 0,010 - 0,055 mm | радиальный зазор | |
| B | 25 mm | Допуск: 0 / -0,12 |
| C 1 | 18 mm | |
| D | 40 mm | |
| d 1 | 24,3 mm | |
| d 3 | M20X1,5 | |
| d 4 | 27,5 mm | |
| d 5 | 34 mm | |
| d K | 34,9 mm | |
| h 1 | 77 mm | |
| l 3 min | 30 mm | |
| l 5 | 10 mm | |
| l 7 min | 25 mm | |
| r 1s min | 0,3 mm | Координаты монтажных фасок |
| W | 30 mm | |
| α | 15 ° | |
| | ||
| m | 0,38 kg | Вес |
| C r | 57000 N | динамическая грузоподъемность, радиальная |
| C 0r | 22800 N | статическая грузоподъемность, радиальнаягрузоподъемность головки |
На сайте представлен неполный перечень продукции, которую мы можем предложить!























