Отправить заявку в отдел продаж: info@gellion-trade.ru
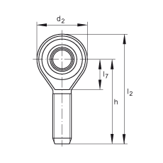
| d | 16 mm | Допуск отверстия: H7 (среднее арифметическое значение)Допуск: +0,018 / 0 |
| d 2 max | 43 mm | |
| l 2 | 87,5 mm | |
| | ||
| 0,005 - 0,045 mm | радиальный зазор | |
| B | 21 mm | Допуск: 0 / -0,12 |
| C 1 | 15 mm | |
| D | 32 mm | |
| d 1 | 19,3 mm | |
| d 3 | M16 | |
| d K | 28,5 mm | |
| h | 66 mm | |
| l 1 | 37 mm | |
| l 7 | 21 mm | |
| r 1s min | 0,3 mm | Координаты монтажных фасок |
| α | 15 ° | |
| | ||
| m | 0,19 kg | Вес |
| C r | 39000 N | динамическая грузоподъемность, радиальная |
| C 0r | 19000 N | статическая грузоподъемность, радиальнаягрузоподъемность головки |
На сайте представлен неполный перечень продукции, которую мы можем предложить!























