Отправить заявку в отдел продаж: info@gellion-trade.ru
| d 1 | 3 7/16 inch | |
| d 1 | 87,313 mm | |
| a | 410 mm | |
| h 1 | 271 mm | |
| g | 180 mm | |
| | ||
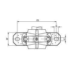
| b | 120 mm | |
| c | 45 mm | |
| D | 215 mm | |
| g 3 | 16 mm | |
| h | 140 mm | |
| m | 350 mm | |
| s | M24 | |
| s | 7/8 inch | |
| u | 26 mm | |
| v | 32 mm | |
| | ||
| m 1 | 24,5 kg | Вес, корпус |
| 2320K | Условное обозначение, подшипник | |
| H2320X307 | Условное обозначение, закрепительная втулка | |
| FRM215/6,5 | Условное обозначение, упорное кольцо | |
| FSV620X307 | Условное обозначение, войлочное уплотнение | |
| DKV215 | Условное обозначение, крышка | |
| SNV215-F-L | Условное обозначение, корпус |
На сайте представлен неполный перечень продукции, которую мы можем предложить!























