Бесплатно по России:
+7 (495) 128-15-25
info@gellion-trade.ru
Отправить заявку в отдел продаж: info@gellion-trade.ru

Стационарные корпуса BND3244-Z-T-BF-S

Распечатать страницу
Цена оригинала по запросу
Оригинал

«Геллион» — официальный дистрибьютор и поставщик подшипниковой продукции NTN-SNR в России.

Поставка продукции осуществляется со склада в Москве.
Наиболее часто запрашиваемые позиции имеются в резерве на складе.

В случае наличия запрашиваемых позиций, отгрузка осуществляется в день заказа. Наличие и сроки доставки можно уточнить по запросу.

Наличие на складе: По запросу
Запрашиваемое количество:
И/Или:
Цена аналога по запросу
от цены
оригинала:
-
%

Мы можем предложить как продукцию NTN-SNR, так и аналоги других производителей.

Наиболее популярные позиции есть в наличии. Уточнить стоимость аналогов и сроки поставки возможно по запросу.

Наличие на складе: По запросу
Запрашиваемое количество:
Характеристики
неразъемные, для двухрядных радиальных сферических роликоподшипников с цилиндрическим отверстием, с уплотнениями Taconite, под консистентную смазку
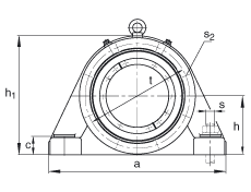
d 220 mm    
a 850 mm    
h 1 525 mm    

45 °   Фазовый угол
b 250 mm    
c 80 mm    
D 400 mm    
d z 236 mm    
g 175 mm    
g 3 147 mm    
g 5 294 mm    
h 260 mm    
m 700 mm    
n 140 mm    
s M36    
s 2 M20    
s 2  Количество
t 445 mm    
u 42 mm    
v 52 mm    

23244   Условное обозначение, подшипник
m 1 240 kg   Вес, корпус
BND3244   Условное обозначение, корпус

На сайте представлен неполный перечень продукции, которую мы можем предложить!

Купить подшипники производителя
Купить подшипники производителя
Купить подшипники производителя
Купить подшипники производителя
Купить подшипники производителя
Купить подшипники производителя
Купить подшипники производителя
Купить подшипники производителя
Купить подшипники производителя
Купить подшипники производителя
Купить подшипники производителя
Купить подшипники производителя
Купить подшипники производителя
Купить подшипники производителя
Купить подшипники производителя
Купить подшипники производителя
Купить подшипники производителя
Купить подшипники производителя
Купить подшипники производителя
Купить подшипники производителя
Купить подшипники производителя
Купить подшипники производителя
Купить подшипники производителя
Купить подшипники производителя