Отправить заявку в отдел продаж: info@gellion-trade.ru
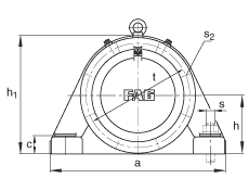
| d 1 | 200 mm | |
| a | 850 mm | |
| h 1 | 525 mm | |
| g 1 | 279 mm | |
| | ||
| 45 ° | Фазовый угол | |
| b | 250 mm | |
| c | 80 mm | |
| D | 400 mm | |
| d c | 216 mm | |
| g | 175 mm | |
| g 4 | 122 mm | |
| h | 260 mm | |
| k | 4 mm | |
| m | 700 mm | |
| n | 140 mm | |
| s | M36 | |
| s 2 | M20 | |
| s 2 | 8 | Количество |
| t | 445 mm | |
| u | 42 mm | |
| v | 52 mm | |
| | ||
| 23244K | Условное обозначение, подшипник | |
| H2344X-HG | Условное обозначение, закрепительная втулка | |
| m 1 | 240 kg | Вес, корпус |
| BND3244 | Условное обозначение, корпус |
На сайте представлен неполный перечень продукции, которую мы можем предложить!























