Отправить заявку в отдел продаж: info@gellion-trade.ru
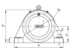
| d 1 | 180 mm | |
| a | 780 mm | |
| h 1 | 475 mm | |
| g 1 | 260 mm | |
| | ||
| 45 ° | Фазовый угол | |
| b | 240 mm | |
| c | 75 mm | |
| D | 360 mm | |
| d c | 196 mm | |
| g | 158 mm | |
| g 4 | 114 mm | |
| h | 235 mm | |
| k | 4 mm | |
| m | 640 mm | |
| n | 140 mm | |
| s | M36 | |
| s 2 | M16 | |
| s 2 | 8 | Количество |
| t | 420 mm | |
| u | 42 mm | |
| v | 52 mm | |
| | ||
| 23240K | Условное обозначение, подшипник | |
| H2340 | Условное обозначение, закрепительная втулка | |
| m 1 | 205 kg | Вес, корпус |
| BND3240 | Условное обозначение, корпус |
На сайте представлен неполный перечень продукции, которую мы можем предложить!























