Отправить заявку в отдел продаж: info@gellion-trade.ru
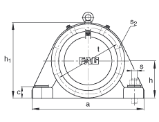
| d 1 | 125 mm | |
| a | 530 mm | |
| h 1 | 345 mm | |
| g 1 | 186 mm | |
| | ||
| 45 ° | Фазовый угол | |
| b | 160 mm | |
| c | 50 mm | |
| D | 250 mm | |
| d c | 137 mm | |
| g | 108 mm | |
| g 4 | 80 mm | |
| h | 170 mm | |
| m | 430 mm | |
| n | 85 mm | |
| s | M24 | |
| s 2 | M16 | |
| s 2 | 6 | Количество |
| t | 285 mm | |
| u | 30 mm | |
| v | 35 mm | |
| | ||
| 23228K | Условное обозначение, подшипник | |
| H2328 | Условное обозначение, закрепительная втулка | |
| m 1 | 65 kg | Вес, корпус |
| BND3228 | Условное обозначение, корпус |
На сайте представлен неполный перечень продукции, которую мы можем предложить!























