Отправить заявку в отдел продаж: info@gellion-trade.ru
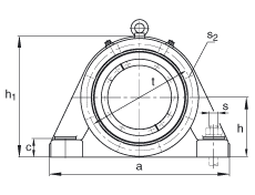
| d 1 | 115 mm | |
| a | 500 mm | |
| h 1 | 315 mm | |
| g 2 | 218 mm | |
| | ||
| 45 ° | Фазовый угол | |
| b | 150 mm | |
| c | 45 mm | |
| D | 230 mm | |
| d c | 127 mm | |
| g | 100 mm | |
| g 3 | 103 mm | |
| h | 160 mm | |
| k | 3 mm | |
| m | 400 mm | |
| n | 85 mm | |
| s | M24 | |
| s 2 | M12 | |
| s 2 | 6 | Количество |
| t | 260 mm | |
| u | 30 mm | |
| v | 35 mm | |
| | ||
| 23226K | Условное обозначение, подшипник | |
| H2326 | Условное обозначение, закрепительная втулка | |
| m 1 | 50 kg | Вес, корпус |
| BND3226 | Условное обозначение, корпус |
На сайте представлен неполный перечень продукции, которую мы можем предложить!























