Отправить заявку в отдел продаж: info@gellion-trade.ru
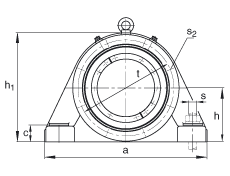
| d 1 | 200 mm | |
| a | 780 mm | |
| h 1 | 475 mm | |
| g 2 | 291 mm | |
| | ||
| b | 240 mm | |
| c | 75 mm | |
| D | 370 mm | |
| g | 150 mm | |
| g 3 | 134 mm | |
| h | 235 mm | |
| m | 640 mm | |
| n | 140 mm | |
| s | M36 | |
| s 2 | M16 | |
| s 2 | 8 | Количество |
| t | 420 mm | |
| u | 42 mm | |
| v | 52 mm | |
| | ||
| 23144K | Условное обозначение, подшипник | |
| H3144X-HG | Условное обозначение, закрепительная втулка | |
| m 1 | 190 kg | Вес, корпус |
| BND3144 | Условное обозначение, корпус |
На сайте представлен неполный перечень продукции, которую мы можем предложить!























