Отправить заявку в отдел продаж: info@gellion-trade.ru
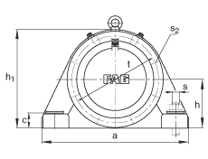
| d 1 | 160 mm | |
| a | 600 mm | |
| h 1 | 395 mm | |
| g 1 | 220 mm | |
| | ||
| b | 200 mm | |
| c | 58 mm | |
| D | 300 mm | |
| g | 125 mm | |
| g 4 | 95 mm | |
| h | 200 mm | |
| k | 3 mm | |
| m | 490 mm | |
| n | 105 mm | |
| s | M30 | |
| s 2 | M16 | |
| s 2 | 8 | Количество |
| t | 350 mm | |
| u | 36 mm | |
| v | 45 mm | |
| | ||
| 23136K | Условное обозначение, подшипник | |
| H3136 | Условное обозначение, закрепительная втулка | |
| m 1 | 110 kg | Вес, корпус |
| BND3136 | Условное обозначение, корпус |
На сайте представлен неполный перечень продукции, которую мы можем предложить!























