Отправить заявку в отдел продаж: info@gellion-trade.ru
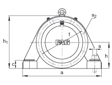
| d 1 | 150 mm | |
| a | 570 mm | |
| h 1 | 380 mm | |
| g 1 | 215 mm | |
| | ||
| b | 200 mm | |
| c | 55 mm | |
| D | 280 mm | |
| g | 120 mm | |
| g 4 | 90 mm | |
| h | 190 mm | |
| k | 3 mm | |
| m | 470 mm | |
| n | 110 mm | |
| s | M30 | |
| s 2 | M12 | |
| s 2 | 8 | Количество |
| t | 330 mm | |
| u | 36 mm | |
| v | 45 mm | |
| | ||
| 23134K | Условное обозначение, подшипник | |
| H3134 | Условное обозначение, закрепительная втулка | |
| m 1 | 100 kg | Вес, корпус |
| BND3134 | Условное обозначение, корпус |
На сайте представлен неполный перечень продукции, которую мы можем предложить!























