Отправить заявку в отдел продаж: info@gellion-trade.ru
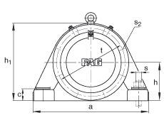
| d 1 | 150 mm | |
| a | 510 mm | |
| h 1 | 330 mm | |
| g 1 | 166 mm | |
| | ||
| b | 160 mm | |
| c | 50 mm | |
| D | 260 mm | |
| g | 90 mm | |
| g 4 | 75 mm | |
| h | 165 mm | |
| k | 2 mm | |
| m | 420 mm | |
| n | 95 mm | |
| s | M30 | |
| s 2 | M12 | |
| s 2 | 8 | Количество |
| t | 285 mm | |
| u | 36 mm | |
| v | 45 mm | |
| | ||
| 23034K | Условное обозначение, подшипник | |
| H3034 | Условное обозначение, закрепительная втулка | |
| m 1 | 70 kg | Вес, корпус |
| BND3034 | Условное обозначение, корпус |
На сайте представлен неполный перечень продукции, которую мы можем предложить!























