Отправить заявку в отдел продаж: info@gellion-trade.ru
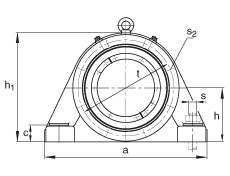
| d 1 | 180 mm | |
| a | 600 mm | |
| h 1 | 400 mm | |
| g 2 | 226 mm | |
| | ||
| 45 ° | Фазовый угол | |
| b | 190 mm | |
| c | 60 mm | |
| D | 310 mm | |
| d c | 188 mm | |
| g | 110 mm | |
| g 3 | 98 mm | |
| h | 200 mm | |
| k | 3 mm | |
| m | 510 mm | |
| n | 110 mm | |
| s | M30 | |
| s 2 | M16 | |
| s 2 | 8 | Количество |
| t | 340 mm | |
| u | 36 mm | |
| v | 45 mm | |
| | ||
| 23040K | Условное обозначение, подшипник | |
| H3040 | Условное обозначение, закрепительная втулка | |
| m 1 | 95 kg | Вес, корпус |
| BND3040 | Условное обозначение, корпус |
На сайте представлен неполный перечень продукции, которую мы можем предложить!























