Отправить заявку в отдел продаж: info@gellion-trade.ru
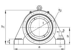
| d 1 | 170 mm | |
| a | 570 mm | |
| h 1 | 370 mm | |
| g 2 | 211 mm | |
| | ||
| 45 ° | Фазовый угол | |
| b | 180 mm | |
| c | 55 mm | |
| D | 290 mm | |
| d c | 178 mm | |
| g | 105 mm | |
| g 3 | 93 mm | |
| h | 185 mm | |
| m | 480 mm | |
| n | 105 mm | |
| s | M30 | |
| s 2 | M12 | |
| s 2 | 8 | Количество |
| t | 325 mm | |
| u | 36 mm | |
| v | 45 mm | |
| | ||
| 23038K | Условное обозначение, подшипник | |
| H3038 | Условное обозначение, закрепительная втулка | |
| m 1 | 80 kg | Вес, корпус |
| BND3038 | Условное обозначение, корпус |
На сайте представлен неполный перечень продукции, которую мы можем предложить!























